Neuromuscular

Hydroxychloroquine Myopathy

Muscle
  Aggregates
  Lipid/Lipofuscin-like material
  Lysosomal accumulations
  Ultrastructure
    Autophagic material
    Lipid-like structures
    Curvilinear bodies
    Membranous whorls
  Vacuoles
Nerve

Hydroxychloroquine Myopathy
  Scattered muscle fibers with: Vacuoles; Aggregates; Basophilic cytoplasm; Small size

H&E stain


H&E stain
Muscle fibers
  Vacuoles
    May be internally clear, or contain basophilic aggregatesd material     May be Acid phosphatase positive
    May contain: Lipofuscin-like granules; Granular material
  Internal nuclei
  LAMP2 granules

H&E stain


H&E stain
Muscle fibers
  Vacuoles

H&E stain

Muscle fibers
  3 small muscle fibers with vacuoles & red staining of cytoplasm.
  Fiber sizes: Intermediate to Very small
  Vacuoles
    Borders: Irregular
    May contain: Aggregates; Clustered & lipofuscin-like material

Gomori Trichrome stain


VvG stain
Muscle fibers
  Vacuoles: Gray-Black rims & Aggregates

VvG stain

Lipofuscin-like material: In vacuoles & cytoplasm

Congo red stain

Congo red stain
Muscle fibers
  Vacuoles: Contain lipofuscin-like material

Congo red stain


Esterase stain
Muscle fibers
  Vacuoles: Contain lipofuscin-like material

Esterase stain

Lysosomal material in muscle fibers: Acid phosphatase & LAMP-2 staining

Acid phosphatase stain

Acid phosphatase stain

Acid phosphatase stain


Acid phosphatase stain
Acid phosphatase+ Regions
  Location: Present in vacuoles & cytoplasm

Acid phosphatase stain

LAMP-2 stained organelles

LAMP2 stain

Aggregates in muscle fibers

Toluidine blue stain

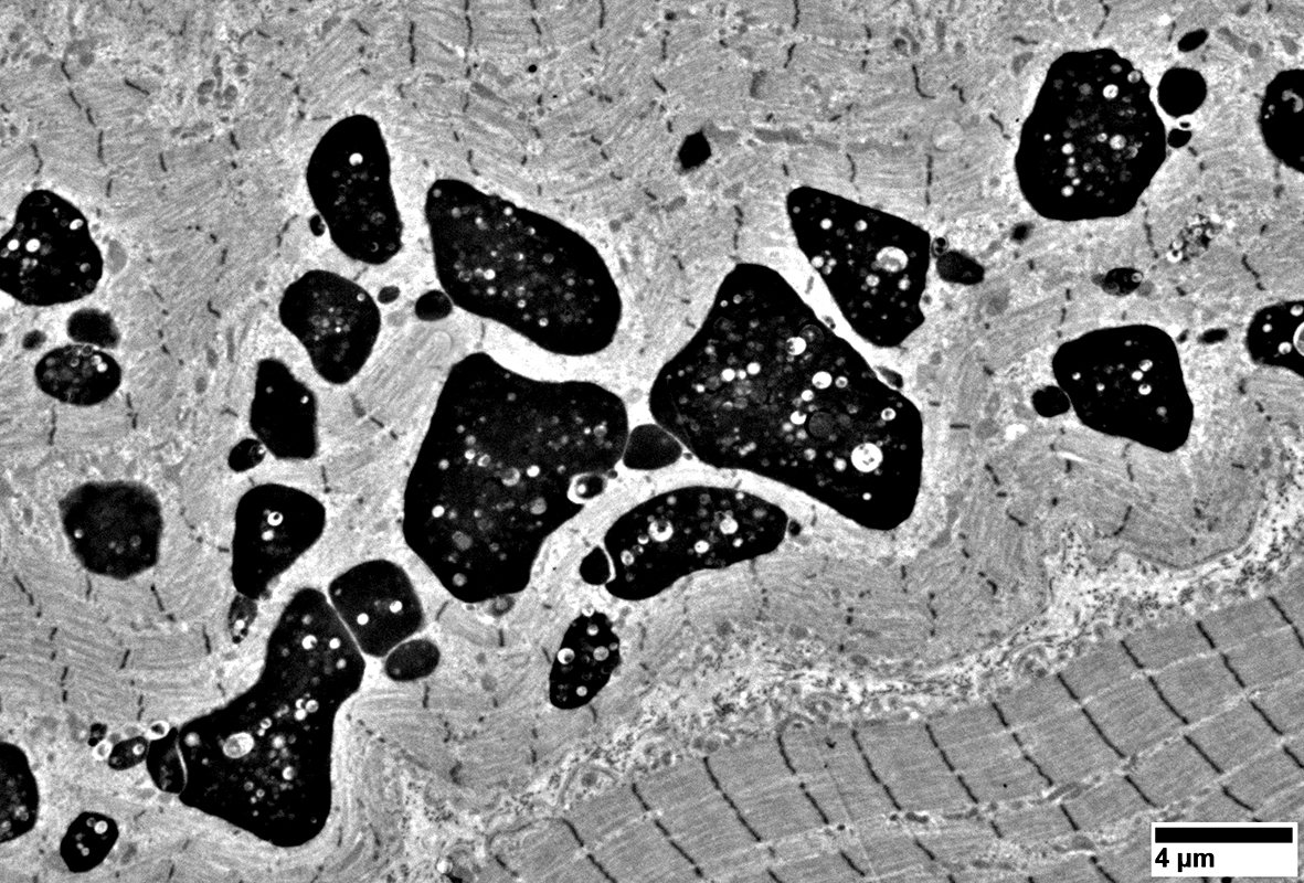
Hydroxychloroquine Myopathy: Ultrastructure

Aggregates: Contain Heterogeneous Material
  Membrane-bound vacuoles
  Curvilinear bodies
  Degradation products
  Lipid & Lipofuscin structures
  Membranous whorls
  Mitochondria

From: R Schmidt

Curvilinear bodies (Arrow)
  Lysosome-derived cytoplasmic inclusions
  Also occur in ceroid lipofuscinosis

From: J Chen

Curvilinear bodies & Complex lipid structures with globular elements

From: J Chen

From: R Schmidt

From: R Schmidt

Complex Lipid, Lipopigment & Osmophilic Structures

From: R Schmidt


From: R Schmidt
Lipid & Lipopigment
  Near normal, large & abnormal mitochondria


From: R Schmidt
Lipofuscin/Lipopigment structures

From: R Schmidt

From: R Schmidt

Autophagic Degradation Products

From: R Schmidt

From: R Schmidt

From: R Schmidt

From: J Chen

Membranous Whorls

From: J Chen

From: R Schmidt

Membrane-bound vacuoles
  Contents: Membranes; Lipopigment
  ? Lysosomal

From: R Schmidt


From: R Schmidt
Vacuoles: Surrounded by Mitochondria

From: R Schmidt

Hydroxychloroquine Myopathy: Mitochondria
  Scattered tubular cristae

From: R Schmidt

Neuropathy: Hydroxychloroqine-associated

Toluidine blue stain
Neuropathy
  Large axons
    Loss
    Thinly myelinated
  Regenerating axon clusters
  Endoneurial vessels: Thick walls

Toluidine blue stain

Return to Hydroxychloroquine myopathy
Return to Muscle biopsies

1/12/2026