Lipid Storage Myopathy: Sertraline

H&E stain
|
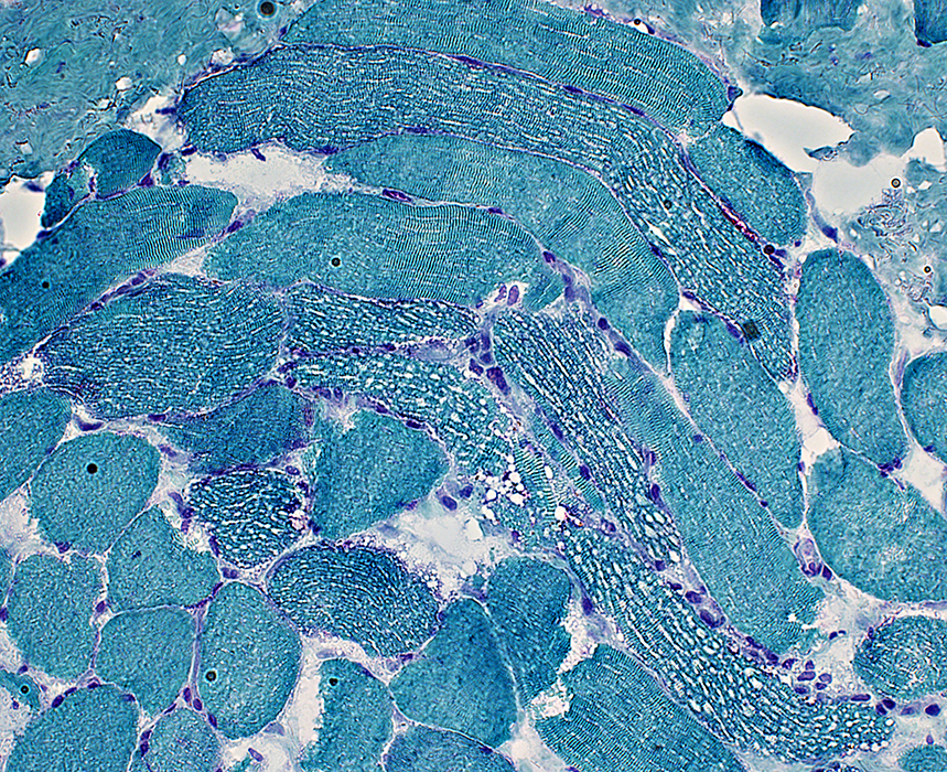
Muscle Fibers
Lipid droplets
Multiple clear round regions in individual muscle fibers
Frequency: 30% to 50% of muscle fibers
Sizes: Mildly varied

Gomori trichrome stain
|

H&E stain
|
Muscle Fibers
Lipid droplets
Multiple clear round regions in individual muscle fibers
Frequency: 30% to 50% of muscle fibers
Sizes: Mildly varied

Gomori trichrome stain
|
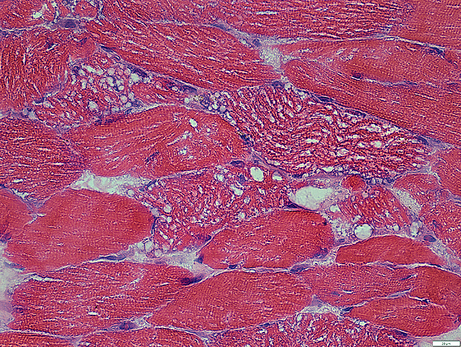
Lipid storage
Some muscle fibers may have large lipid droplets of varied size
Lipid droplets stain for Oil Red O and Sudan black

Oil red O stain
|
Lipid Disorders: NADH stain
Often punctate within muscle fibers

NADH stain
|

MHC1 stain
|
Lipid Disorders: Capillaries
Number & Size: Increased

MHC1 stain
|
Lipid Disorders: Capillaries
Number & Size: Increased
Muscle fibers: May have midly increased MHC-I expressed in cytoplasm

MHC1 stain
|

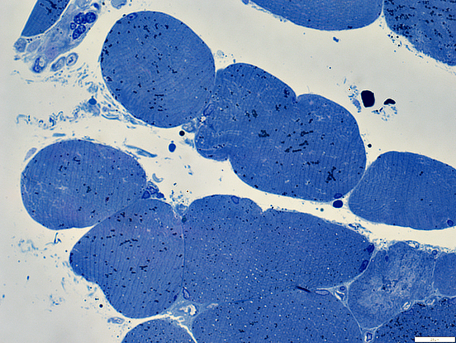
Toluidine blue stain
|
Lipid Storage Disrders: Toluidine blue stain
Muscle fibers: Multiple clear & Dark Lipid droplets

Toluidine blue stain
|

Toluidine blue stain
|
Sertaline Lipid Myopathy
Lipid droplets: Dark stained; Scattered in muscle fibers
Mitochondria: Increased numbers scattered in muslce fibers
Return to:
Sertraline
Return to:
Neuromuscular Home Page
8/29/2025